| 注意:访问本站需要Cookie和JavaScript支持!请设置您的浏览器! • 打开购物车 • 查看留言 • 付款方式 • 联系我们 |
![]() |
| 首页 | 电子入门 | 学单片机 | 免费资源 | 下载中心 | 商品列表 | 象棋在线 | 在线绘图 | 加盟五一 | 加入收藏 | 设为首页 |
| 选择分类:当前分类——音响功放 相关联或者相类似的文章: 加强中小学教师职业道德建设(387) 电子电路多媒体教程(386) ss570122的雕刻机制作过程(3)(385) 一款手机充电器用电源变换器电路的分析(385) 18. “嘀、嘀、……”报警声(382) 世界摄影史经典作品系列(378) stc2052-clock.asm(378) 315M遥控电路设计(378) 可控硅介绍(374) 关于单片机软件狗-平凡与张工的讨论(370) Win XP安装时出现错误的解决方案(368) JAVA教程 第二讲 Java语言基础知识(1)(364) 详细讲解:石英晶体滤波器(357) 硅胶不等于硅脂!千万别乱用!(354) 二极管的特性与应用(353) 谈单片机学习 (351) 获奖最多的QQ资料介绍——阅读后果自负(348) 如何鉴别可控硅的三个极(347) 法海大罪状---拆散鸳鸯非为娘子为私仇 (347) 给交流数字钟加装自动调时电路(347) 首页 前页 后页 尾页 本站推荐: | 自制2.1声道多媒体音响系统
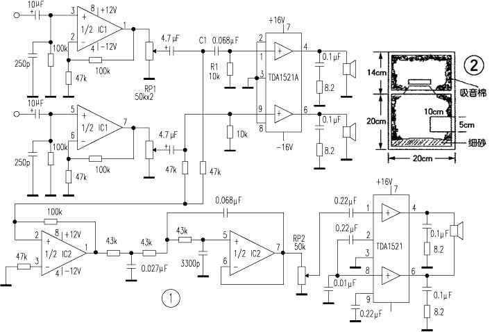
本人给自己的电脑配个2.1声道,用专门的“炮”来对付低音,两只卫星箱又可做得小巧玲珑。 1、 本站不保证以上观点正确,就算是本站原创作品,本站也不保证内容正确。 2、如果您拥有本文版权,并且不想在本站转载,请书面通知本站立即删除并且向您公开道歉! |
|
本站协议 |
版权信息 |
关于我们 |
本站地图 |
营业执照 |
发票说明 |
付款方式 |
联系方式
深圳市宝安区西乡五壹电子商行——粤ICP备16073394号-1;地址:深圳西乡河西四坊183号;邮编:518102 E-mail:51dz$163.com($改为@);Tel:(0755)27947428 工作时间:9:30-12:00和13:30-17:30和18:30-20:30,无人接听时可以再打手机13537585389 |