注意:访问本站需要Cookie和JavaScript支持!请设置您的浏览器! 打开购物车 查看留言付款方式联系我们
初中电子 单片机教材一 单片机教材二
搜索上次看见的商品或文章:
商品名、介绍 文章名、内容
首页 电子入门 学单片机 免费资源 下载中心 商品列表 象棋在线 在线绘图 加盟五一 加入收藏 设为首页
本站推荐:
多频超声波发生器
文章长度[1085] 加入时间[2006/7/1] 更新时间[2026/3/17 8:51:46] 级别[3] [评论] [收藏]


2002年,第48期,类别:电子制作


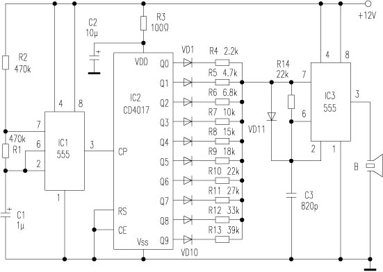
    据有关资料介绍,蟑螂、蚊子等害虫甚至老鼠都对超声波厌恶,且每种害虫各有特定的厌恶频率,但各种害虫的厌恶频率具体是多少,目前尚无定论。本发生器可在23~64kHz范围内周而复始地变换着产生10种不同频率的超声波,如果你想验证超声波是否确有驱虫作用,本多频超声波发生器电路可供参考。
    多频超声波发生器电路见图,IC1(NE555)构成时钟振荡器,产生频率为1Hz的时钟信号,此信号作用于IC2(CD4017)的时钟输入CP端,使IC2的输出端Q0~Q9依次输出高电平,各输出端高电平持续期均为1s。IC3(NE555)构成超声波振荡器,由于IC2的Q0~Q9输出端的电阻R4~R13的阻值各不相同,它们分别与C3组成的充电时间常数不同,因此在Q0~Q9依次为高电平的各个时段内,IC3输出的振荡频率不同。当Q0为高电平时,IC3输出约23kHz的信号;当Q9为高电平时,IC3输出约64kHz的信号。十种频率的信号持续期各为1s,周而复始地产生,因而压电扬声器B周而复始地发出10种不同频率的超声波。

                                                                    浙江  郑华东



1、 本站不保证以上观点正确,就算是本站原创作品,本站也不保证内容正确。
2、如果您拥有本文版权,并且不想在本站转载,请书面通知本站立即删除并且向您公开道歉! 以上可能是本站收集或者转载的文章,本站可能没有文章中的元件或产品,如果您需要类似的商品请 点这里查看商品列表!
本站协议 | 版权信息 |  关于我们 |  本站地图 |  营业执照 |  发票说明 |  付款方式 |  联系方式
深圳市宝安区西乡五壹电子商行——粤ICP备16073394号-1;地址:深圳西乡河西四坊183号;邮编:518102
E-mail:51dz$163.com($改为@);Tel:(0755)27947428
工作时间:9:30-12:00和13:30-17:30和18:30-20:30,无人接听时可以再打手机13537585389