| 注意:访问本站需要Cookie和JavaScript支持!请设置您的浏览器! • 打开购物车 • 查看留言 • 付款方式 • 联系我们 |
![]() |
| 首页 | 电子入门 | 学单片机 | 免费资源 | 下载中心 | 商品列表 | 象棋在线 | 在线绘图 | 加盟五一 | 加入收藏 | 设为首页 |
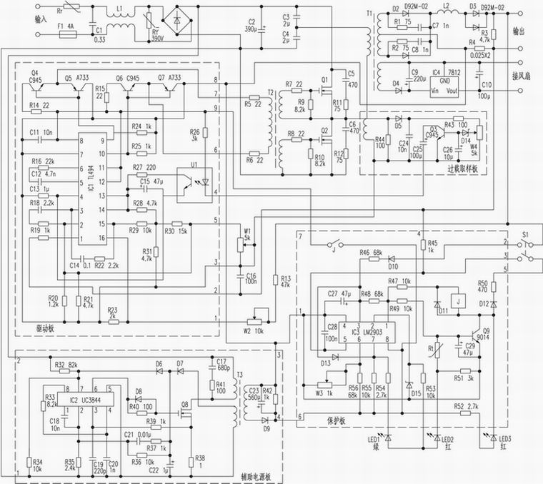
| 选择分类:当前分类——常用资料 相关联或者相类似的文章: PM60系列智能语音集成电路(575) 体育类(575) 不知不惧(575) 24V供电CRT高压电源(575) 道高一丈:网上交易十大秘诀(575) 请不要做浮躁的人(574) 专利法面临第三次修改 “垃圾专利”有望遏制(574) 五五五电路应用一例(574) 斯芬达克斯谜语(574) 电子驱蚊器(573) LED显示屏测试方法(573) 书中自有黄金屋,书中自有颜如玉。(573) 不如要饭!中关村月薪68元的日子(572) 死于第九层(572) 常用元器件的识别 (572) 功能齐全的单片机音乐程序(572) 电话线上的电压、电流(572) 51单片机开发KeilC51V612P软件(571) 史思明歪诗 (571) 5 应用注意事项(570) 首页 前页 后页 尾页 本站推荐: | 62.4V/10A充电机原理剖析
1、 本站不保证以上观点正确,就算是本站原创作品,本站也不保证内容正确。 2、如果您拥有本文版权,并且不想在本站转载,请书面通知本站立即删除并且向您公开道歉! |
|
本站协议 |
版权信息 |
关于我们 |
本站地图 |
营业执照 |
发票说明 |
付款方式 |
联系方式
深圳市宝安区西乡五壹电子商行——粤ICP备16073394号-1;地址:深圳西乡河西四坊183号;邮编:518102 E-mail:51dz$163.com($改为@);Tel:(0755)27947428 工作时间:9:30-12:00和13:30-17:30和18:30-20:30,无人接听时可以再打手机13537585389 |