注意:访问本站需要Cookie和JavaScript支持!请设置您的浏览器! 打开购物车 查看留言付款方式联系我们
初中电子 单片机教材一 单片机教材二
搜索上次看见的商品或文章:
商品名、介绍 文章名、内容
首页 电子入门 学单片机 免费资源 下载中心 商品列表 象棋在线 在线绘图 加盟五一 加入收藏 设为首页
本站推荐:
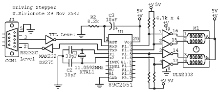
AT89C2051驱动步进电机的电路和源码
文章长度[2252] 加入时间[2007/3/18] 更新时间[2026/4/6 23:38:26] 级别[0] [评论] [收藏]

电路图

程序

stepper.c
stepper.hex

/*
* STEPPER.C
* sweeping stepper's rotor cw and cww 400 steps
* Copyright (c) 1999 by W.Sirichote
*/

#include c:\mc51\8051io.h /* include i/o header file */
#include c:\mc51\8051reg.h

register unsigned char j,flag1,temp;
register unsigned int cw_n,ccw_n;

unsigned char step[8]={0x80,0xc0,0x40,0x60,0x20,0x30,0x10,0x90}
#define n 400

/* flag1 mask byte
0x01 run cw()
0x02 run ccw()
*/

main()

{
flag1=0;
serinit(9600);
disable(); /* no need timer interrupt */
cw_n = n; /* initial step number for cw */
flag1 |=0x01; /* initial enable cw() */

while(1){
{
tick_wait(); /* wait for 10ms elapsed */

energize(); /* round-robin execution the following tasks every 10ms */
cw();
ccw();
}
}

}

cw(){
if((flag1&0x01)!=0)
{
cw_n--; /* decrement cw step number */
if (cw_n !=0)
j++; /* if not zero increment index j */
else
{flag1&=~0x01; /* disable cw() execution */
ccw_n = n; /* reload step number to ccw counter */
flag1 |=0x02; /* enable cww() execution */
}
}

}

ccw(){
if((flag1&0x02)!=0)
{
ccw_n--; /* decremnent ccw step number */
if (ccw_n !=0)
j--; /* if not zero decrement index j */
else
{flag1&=~0x02; /* disable ccw() execution */
cw_n = n; /* reload step number to cw counter */
flag1 |=0x01; /* enable cw() execution */
}
}

}

tick_wait(){ /* cputick was replaced by simpler ASM code 10ms wait */

asm" JNB TCON.5,*"; /* wait for TF0 set */
asm" CLR TCON.5"; /* clear TF0 for further set */
asm" ORL TH0,#$DC"; /* reload TH0 with $DC, TL0 = 0 */
}

energize(){

P1 = step[(j&0x07)]; /* only step 0-7 needed */
}

1、 本站不保证以上观点正确,就算是本站原创作品,本站也不保证内容正确。
2、如果您拥有本文版权,并且不想在本站转载,请书面通知本站立即删除并且向您公开道歉! 以上可能是本站收集或者转载的文章,本站可能没有文章中的元件或产品,如果您需要类似的商品请 点这里查看商品列表!
本站协议 | 版权信息 |  关于我们 |  本站地图 |  营业执照 |  发票说明 |  付款方式 |  联系方式
深圳市宝安区西乡五壹电子商行——粤ICP备16073394号-1;地址:深圳西乡河西四坊183号;邮编:518102
E-mail:51dz$163.com($改为@);Tel:(0755)27947428
工作时间:9:30-12:00和13:30-17:30和18:30-20:30,无人接听时可以再打手机13537585389