进入框架页面 

28. 数字电压表

1. 实验任务

利用单片机AT89S51与ADC0809设计一个数字电压表,能够测量0-5V之间的直流电压值,四位数码显示,但要求使用的元器件数目最少。

2. 电路原理图

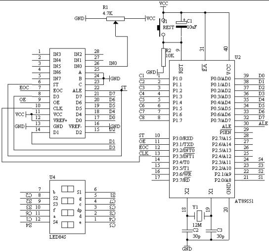
图1.28.1

3. 系统板上硬件连线

a) 把“单片机系统”区域中的P1.0-P1.7与“动态数码显示”区域中的ABCDEFGH端口用8芯排线连接。

b) 把“单片机系统”区域中的P2.0-P2.7与“动态数码显示”区域中的S1S2S3S4S5S6S7S8端口用8芯排线连接。

c) 把“单片机系统”区域中的P3.0与“模数转换模块”区域中的ST端子用导线相连接。

d) 把“单片机系统”区域中的P3.1与“模数转换模块”区域中的OE端子用导线相连接。

e) 把“单片机系统”区域中的P3.2与“模数转换模块”区域中的EOC端子用导线相连接。

f) 把“单片机系统”区域中的P3.3与“模数转换模块”区域中的CLK端子用导线相连接。

g) 把“模数转换模块”区域中的A2A1A0端子用导线连接到“电源模块”区域中的GND端子上。

h) 把“模数转换模块”区域中的IN0端子用导线连接到“三路可调电压模块”区域中的VR1端子上。

i) 把“单片机系统”区域中的P0.0-P0.7用8芯排线连接到“模数转换模块”区域中的D0D1D2D3D4D5D6D7端子上。

4. 程序设计内容

i. 由于ADC0809在进行A/D转换时需要有CLK信号,而此时的ADC0809的CLK是接在AT89S51单片机的P3.3端口上,也就是要求从P3.3输出CLK信号供ADC0809使用。因此产生CLK信号的方法就得用软件来产生了。

ii. 由于ADC0809的参考电压VREF=VCC,所以转换之后的数据要经过数据处理,在数码管上显示出电压值。实际显示的电压值 (D/256*VREF)

5. 汇编源程序
(略)
6. C语言源程序
#include <AT89X52.H>

unsigned char code dispbitcode[]={0xfe,0xfd,0xfb,0xf7,
0xef,0xdf,0xbf,0x7f};
unsigned char code dispcode[]={0x3f,0x06,0x5b,0x4f,0x66,
0x6d,0x7d,0x07,0x7f,0x6f,0x00};
unsigned char dispbuf[8]={10,10,10,10,0,0,0,0};
unsigned char dispcount;
unsigned char getdata;
unsigned int temp;
unsigned char i;

sbit ST=P3^0;
sbit OE=P3^1;
sbit EOC=P3^2;
sbit CLK=P3^3;


void main(void)
{
ST=0;
OE=0;
ET0=1;
ET1=1;
EA=1;
TMOD=0x12;
TH0=216;
TL0=216;
TH1=(65536-4000)/256;
TL1=(65536-4000)%256;
TR1=1;
TR0=1;
ST=1;
ST=0;
while(1)
{
if(EOC==1)
{
OE=1;
getdata=P0;
OE=0;
temp=getdata*235;
temp=temp/128;
i=5;
dispbuf[0]=10;
dispbuf[1]=10;
dispbuf[2]=10;
dispbuf[3]=10;
dispbuf[4]=10;
dispbuf[5]=0;
dispbuf[6]=0;
dispbuf[7]=0;
while(temp/10)
{
dispbuf[i]=temp%10;
temp=temp/10;
i++;
}
dispbuf[i]=temp;
ST=1;
ST=0;
}
}
}

void t0(void) interrupt 1 using 0
{
CLK=~CLK;
}

void t1(void) interrupt 3 using 0
{
TH1=(65536-4000)/256;
TL1=(65536-4000)%256;
P1=dispcode[dispbuf[dispcount]];
P2=dispbitcode[dispcount];
if(dispcount==7)
{
P1=P1 | 0x80;
}
dispcount++;
if(dispcount==8)
{
dispcount=0;
}
}


以上资料来自于互联网!编辑整理:五一电子加油站;网址:http://51dz.com
欢迎光临五一电子商城!免费学习电子技术,面向全国邮购电子元件、实验套件!