第七节实验:组成串联电路和并联电路

[目的]学会串联电路的连接方法.

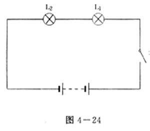
[器材]两只小灯泡,一个电铃.三个开关,两个电池(或其他电源),若干条导线.电池(或其他电源),若干条导线。

[步骤]

组成串联电路

l、按照图4-24组成串联电路。连接电路前,先要画好电路图。电路的连接要按照一定的顺序进行;可以从电池的正极开始,依欢连接开关S、灯L1、灯L2、最后连到电池负极;也可以从时地负极开始,依次连接L2、L1、S,最后连到用池正极。注意连接过程中,开关碰该是断开的。

2.经检查电路连接无误后,闭合和断开开关,观察开关控制两只灯泡的情况。

3.把开关s改接到L1和L2之间,闭合和断开断开开关.观察开关控制两只灯泡的情况.

4.把开关S故接到L2和电池负极之间,.团合和断开开关.观察开关控制两只灯泡的情况.

5.一只灯泡和一个电铃串联在电路中再做一次。

6.根据上面的实验回答:在串联电路里,开关可以控制所有用电器,还是只控制其中某个用电器?开关的位置改变了,它的控制作用是否也改变?

组成并联电路

1.按照图4-25组成并联电路。

2.经检查电路连接无误后,把三个开关全部闭合。

3.断开、闭合干路中的开关s,观察它控制灯泡的情况.

4.闭合开关S后,断开、闭合支路中的开关S1,观察它控制电路的情况.

5.闭合开关S后,断开、团合支路中的开关S2.观察它控制电路的情况.

6.根据上面的实验回答:在并联电路里,干路开关和支路开关的控制作用各是什么?

相关内容:

请介绍你的同学、朋友、弟弟、妹妹等来五一电子网站,每介绍一位会员成功注册可以双方同时获得积分100。本站永久域名:http://www.51dz.com,我要电子之意!

相关广告:

约好你的同学、朋友、弟弟、妹妹来,每天只学一点点,每天只记一点点,有不懂的问题,请到论坛发贴,请给我们来信!只要你去做,你一定能成功!电子技术是最需要的、最基础的、最好学的一门技术!